СБН 6.25.2.5

Чертеж изделия:
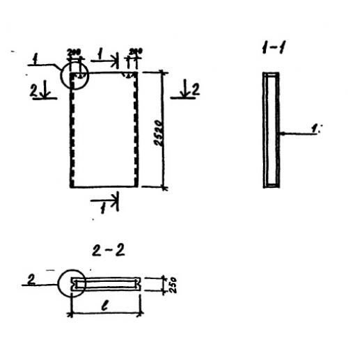
Характеристики изделия:
ПараметрЗначение
длина580 мм
ширина250 мм
высота2520 мм
вес290 кг
серияТП 213-2-183

СБН 6.25.2.5 Стеновые блоки наружные по проекту ТП 213-2-183.