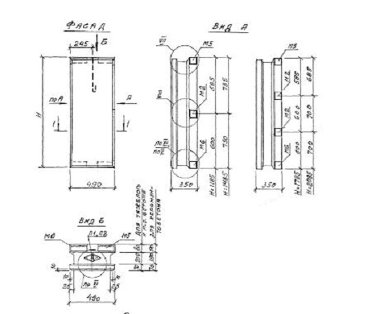
ПСТ 5.12.3.5
Характеристики изделия:
| Параметр | Значение |
|---|---|
| длина | 490 мм |
| ширина | 350 мм |
| высота | 1185 мм |
| масса | 250 кг |
| нормативный документ | Шифр М25.13/98 |
Цена:
Рассчитать стоимостьПСТ 5.12.3.5 Панели стеновые трёхслойные по Шифру М25.13/98.
| Параметр | Значение |
|---|---|
| длина | 490 мм |
| ширина | 350 мм |
| высота | 1185 мм |
| масса | 250 кг |
| нормативный документ | Шифр М25.13/98 |
ПСТ 5.12.3.5 Панели стеновые трёхслойные по Шифру М25.13/98.