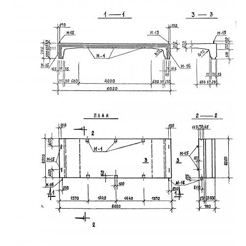
СБК-5.5
Характеристики изделия:
| Параметр | Значение |
|---|---|
| длина | 6020 мм |
| ширина | 2000 мм |
| высота | 790 мм |
| масса | 8800 кг |
| нормативный документ | Серия 3.903 КЛ-13 |
Цена:
Рассчитать стоимостьСБК-5.5 Блоки камеры средние по Серии 3.903 КЛ-13.
| Параметр | Значение |
|---|---|
| длина | 6020 мм |
| ширина | 2000 мм |
| высота | 790 мм |
| масса | 8800 кг |
| нормативный документ | Серия 3.903 КЛ-13 |
СБК-5.5 Блоки камеры средние по Серии 3.903 КЛ-13.
