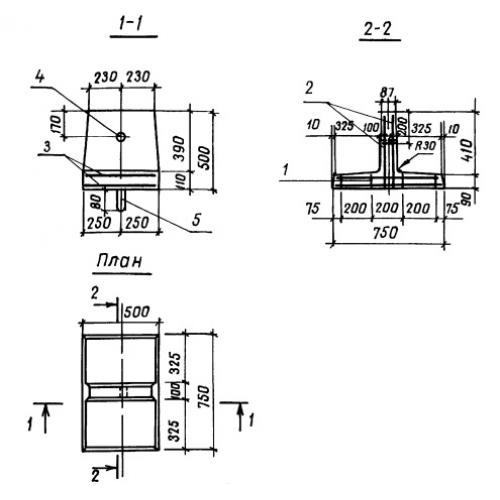
Т-4

Чертеж изделия:
Характеристики изделия:
ПараметрЗначение
длина500 мм
ширина750 мм
высота500 мм
масса138 кг
нормативный документСерия 3.820-6

Т-4 Гасители по Серии 3.820-6.