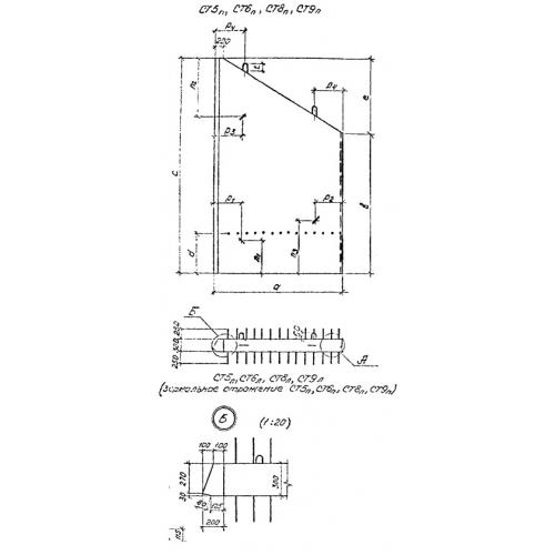
СТ 7 стенка

Чертеж изделия:
Характеристики изделия:
ПараметрЗначение
длина1920 мм
ширина2650 мм
высота300 мм
масса3000 кг
нормативный документСерия 3.501.1-179.94

СТ 7 Откосные стенки по Серии 3.501.1-179.94.