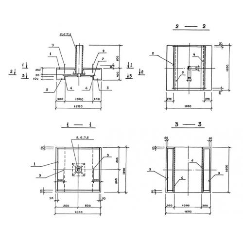
ПЖД 2

Чертеж изделия:
Характеристики изделия:
ПараметрЗначение
длина1600 мм
ширина1600 мм
высота1200 мм
масса2150 кг
нормативный документСерия 3.407.9-180

ПЖД 2 Подножники Серия 3.407.9-180.