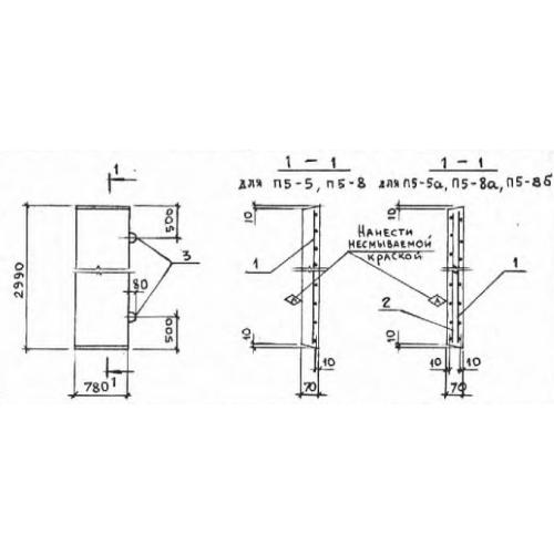
П 5/2 плиты лотков

Чертеж изделия:
Характеристики изделия:
ПараметрЗначение
длина1495 мм
ширина780 мм
высота70 мм
масса200 кг
нормативный документСерия 3.006.1-2/87

П 5/2 Плиты перекрытия лотков Серия 3.006.1-2/87.