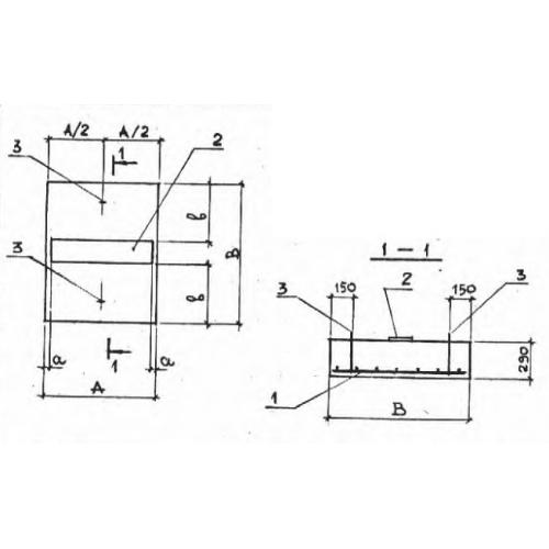
ОП 9 опорные подушки

Чертеж изделия:
Характеристики изделия:
ПараметрЗначение
длина1150 мм
ширина1350 мм
высота290 мм
масса1130 кг
нормативный документСерия 3.006.1-2/87

ОП 9  Опорные подушки Серия 3.006.1-2/87.