П 16 д

Чертеж изделия:
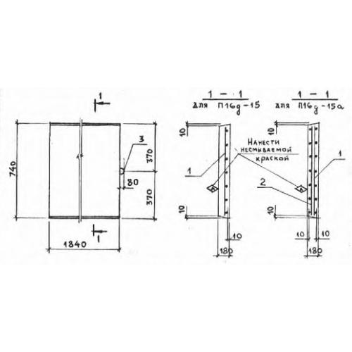
Характеристики изделия:
ПараметрЗначение
длина740 мм
ширина1840 мм
высота180 мм
масса610 кг
нормативный документСерия 3.006.1-2/82

П 16 д Плиты перекрытия лотков  доборные Серия 3.006.1-2/82.