П 11
Характеристики изделия:
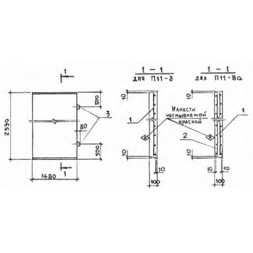
| Параметр | Значение |
|---|---|
| длина | 2990 мм |
| ширина | 1480 мм |
| высота | 100 мм |
| масса | 1100 кг |
| нормативный документ | Серия 3.006.1-2/82 |
Цена:
Рассчитать стоимостьП 11 Плиты перекрытия лотков Серия 3.006.1-2/82.
| Параметр | Значение |
|---|---|
| длина | 2990 мм |
| ширина | 1480 мм |
| высота | 100 мм |
| масса | 1100 кг |
| нормативный документ | Серия 3.006.1-2/82 |
П 11 Плиты перекрытия лотков Серия 3.006.1-2/82.
