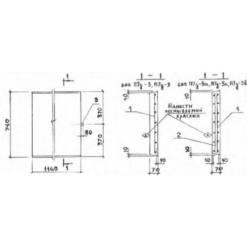
П 7д

Чертеж изделия:
Характеристики изделия:
ПараметрЗначение
длина740 мм
ширина1160 мм
высота70 мм
вес150 кг
серия3.006-2

П 7д Плиты перекрытия лотков доборные по серии 3.006-2.