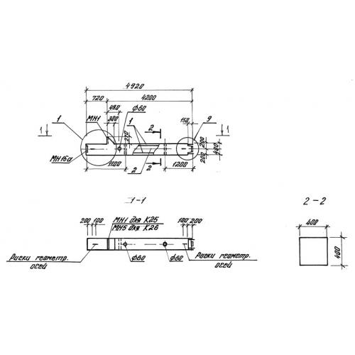
К 26 колонны

Чертеж изделия:
Характеристики изделия:
ПараметрЗначение
длина4920 мм
ширина400 мм
высота400 мм
масса2100 кг
нормативный документСерия 1.420-35.95

К 26 Колонны Серия 1.420-35.95.