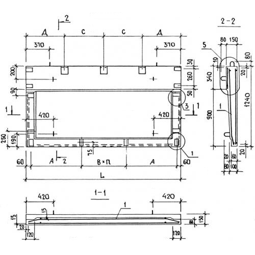
ПБК 33.12 плиты балконные

Чертеж изделия:
Характеристики изделия:
ПараметрЗначение
длина3290 мм
ширина1240 мм
высота150 мм
масса1200 кг
нормативный документСерия 1.137.1-9

ПБК 33.12  Плиты балконные консольные Серия 1.137.1-9.