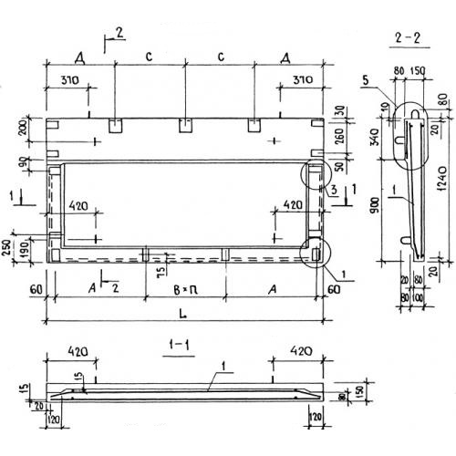
ПБ 39-5

Чертеж изделия:
Характеристики изделия:
ПараметрЗначение
длина3890 мм
ширина1240 мм
высота150 мм
масса1410 кг
нормативный документСерия 1.137-3

ПБ 39-5  Плиты балконные Серия 1.137-3.