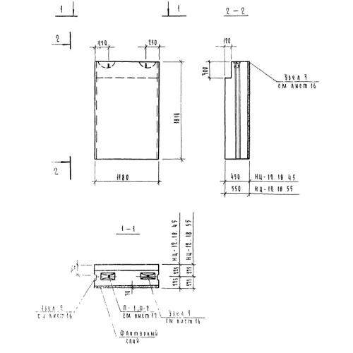
НЦ 12.18.45

Чертеж изделия:
Характеристики изделия:
ПараметрЗначение
Длина1180 мм
ширина450 мм
высота1810 мм
вес2145 кг
серия1.116-5

НЦ 12.18.45 Наружные цокольные блоки по серии 1.116-5.