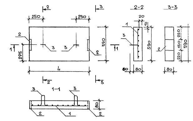
ЛП 15-5

Чертеж изделия:
Характеристики изделия:
ПараметрЗначение
длина1500 мм
ширина590 мм
высота80 мм
масса180 кг
нормативный документСерия 1.050.9-4.93

ЛП 15-5  Площадочные плиты Серия 1.050.9-4.93.