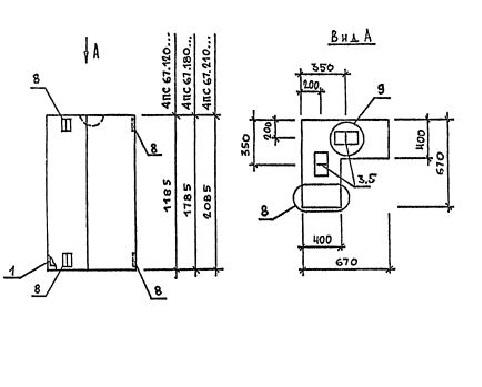
ПС 67.210.40 панели стеновые
Характеристики изделия:
| Параметр | Значение |
|---|---|
| длина | 670 кг |
| ширина | 400 мм |
| высота | 2085 мм |
| масса | 1100 кг |
| нормативный документ | Серия 1.030.1-1/88 |
Цена:
Рассчитать стоимостьПС 67.210.40 Панели стеновые Серия 1.030.1-1/88.
| Параметр | Значение |
|---|---|
| длина | 670 кг |
| ширина | 400 мм |
| высота | 2085 мм |
| масса | 1100 кг |
| нормативный документ | Серия 1.030.1-1/88 |
ПС 67.210.40 Панели стеновые Серия 1.030.1-1/88.