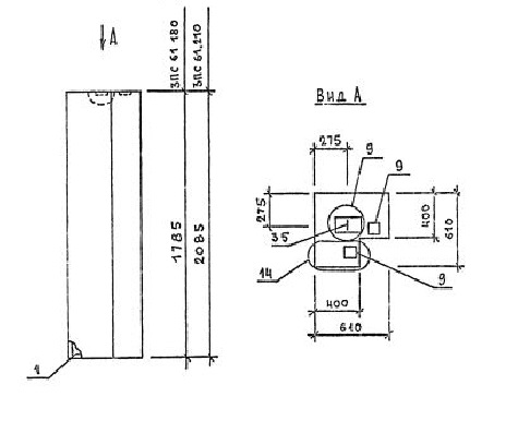
ПС 61.180.40 панели стеновые

Чертеж изделия:
Характеристики изделия:
ПараметрЗначение
длина610 мм
ширина400 мм
высота1785 мм
масса820 кг
нормативный документСерия 1.030.1-1/88

ПС 61.180.40  Панели стеновые Серия 1.030.1-1/88.