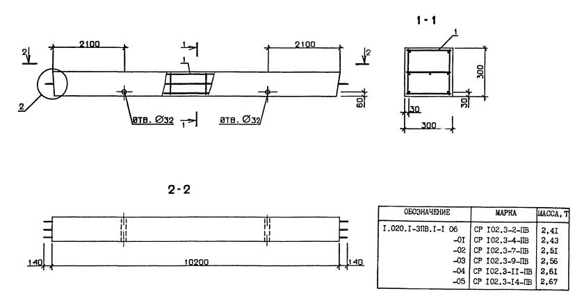
СР 102.3

Чертеж изделия:
Характеристики изделия:
ПараметрЗначение
длина10480 мм
ширина300 мм
высота300 мм
масса2670 кг
нормативный документСерия 1.020.1-3пв

СР 102.3  Связи-распорки Серия 1.020.1-3пв.