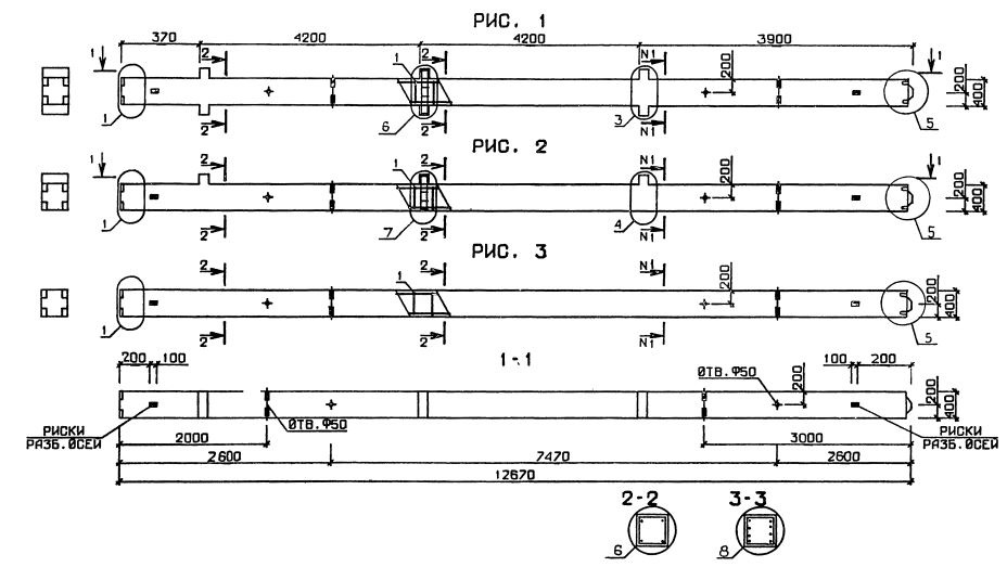
3КБ 4.42

Чертеж изделия:
Характеристики изделия:
ПараметрЗначение
длина12670 мм
ширина400 мм
высота400 мм
масса5210 кг
нормативный документСерия 1.020.1-3пв

3КБ 4.42  Колонны бесстыковые Серия 1.020.1-3пв.