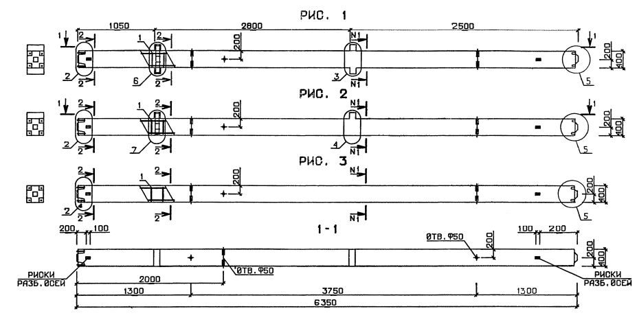
2КНО 4.28

Чертеж изделия:
Характеристики изделия:
ПараметрЗначение
длина6350 мм
ширина400 мм
высота550 мм
масса2870 кг
нормативный документСерия 1.020.1-3пв

2КНО 4.28  Колонны нижние одноконсольные Серия 1.020.1-3пв.