ТМ 9

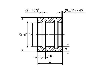
Чертеж изделия:
Характеристики изделия:
ПараметрЗначение
длина220 мм
ширина353 мм
высота353 мм
масса18,3 кг
нормативный документГОСТ 31416-2009

ТМ 9   Муфты хризотилцементные для напорных теплопроводов ГОСТ 31416-2009.