ТМ 12
Характеристики изделия:
| Параметр | Значение |
|---|---|
| длина | 240 мм |
| ширина | 549 мм |
| высота | 549 мм |
| масса | 46,5 кг |
| нормативный документ | ГОСТ 31416-2009 |
Цена:
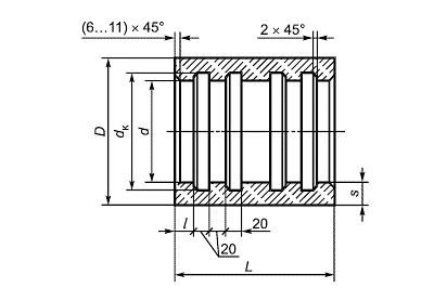
Рассчитать стоимостьТМ 12 Муфты хризотилцементные для напорных теплопроводов ГОСТ 31416-2009.
| Параметр | Значение |
|---|---|
| длина | 240 мм |
| ширина | 549 мм |
| высота | 549 мм |
| масса | 46,5 кг |
| нормативный документ | ГОСТ 31416-2009 |
ТМ 12 Муфты хризотилцементные для напорных теплопроводов ГОСТ 31416-2009.